
El SC16IS740/750/760 es un esclavo I ² interfaz C-bus/SPI, a un solo canal de alto rendimiento UART. Ofrece velocidades de datos hasta 5 Mbit / s, y las garantías de explotación bajos y sleep actual. El SC16IS750 SC16IS760 y también proporcionar a la aplicación con 8 me programables adicionales / salidas. El dispositivo viene en HVQFN24 muy pequeño, TSSOP24 (SC16IS750/760) y TSSOP16 (SC16IS740) paquetes, lo cual lo hace ideal para aplicaciones portátiles, que funcionan con baterías. Esta familia de productos permite la conversión de protocolo transparente de I ² C-bus o SPI y RS-232/RS-485 y están completamente bidireccional.
El SC16IS760 difiere de la SC16IS750 en que apoya reloj SPI velocidades de hasta 15 Mbit / s en lugar del 4 Mbit / s con el apoyo de la SC16IS750, y en que se apoya IrDA SIR hasta 1.152 Mbit / s. En todos los demás aspectos, el SC16IS760 es funcional y eléctricamente el mismo que el SC16IS750. El SC16IS740 es funcional y eléctricamente idéntica a la SC16IS750, con la excepción de la I programables / salidas que están sólo presentes en el SC16IS750.
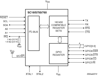
El SC16IS740/750/760 's establecidos registro interno es compatible con el 16C450 ampliamente utilizado y popular ampliamente. Esto permite que el software para ser fácilmente portado por escrito o de otra plataforma.
El SC16IS740/750/760 también ofrece funciones avanzadas adicionales tales como hardware automático y control de flujo de software, apoyo automático a RS-485, y restablecimiento de software. Esto permite que el software para restablecer la UART en cualquier momento, independiente de la señal de reinicio de hardware.
Características y beneficios
Características generales
- Solo full-duplex UART
- Seleccionable I ² C-bus o interfaz de SPI
- 3,3 V o 2,5 V operación
- Industrial Rango de temperatura: -40 º C a +95 º C
- 64 bytes FIFO (transmisor y receptor)
- Totalmente compatible con 16C450 industrial estándar y equivalente
- Velocidades de transferencia de hasta 5 Mbits / s en 16 × modo de reloj
- Auto de hardware de control de flujo con RTS / CTS
- software de control de flujo automático programable con Xon / Xoff caracteres
- Simple o doble Xon / Xoff caracteres
- Automática de RS-485 de apoyo (detección automática de direcciones de esclavos)
- Hasta ocho programables / salidas (SC16IS750 y SC16IS760 solamente)
- RS-485 controlador de control de la dirección a través de la señal de RTS
- RS-485 dirección controlador de control de la inversión
- Encoder integrado IrDA y la interfaz de decodificador
- SC16IS750 admite IrDA SIR con una velocidad de hasta 115,2 kbit / s
- SC16IS760 admite IrDA SIR con una velocidad de hasta 1.152 Mbit/s1
- Software reset
- El transmisor y el receptor se puede activar o desactivar independientes entre sí
- Recibir y los niveles de transmisión FIFO
- detección programable carácter especial
- carácter totalmente programables formato
- 5-bits, de 6 bits, 7 bits o caracteres de 8 bits
- Incluso, impar o sin paridad
- 1, 11 ∨ 2, o 2 bits de parada
-
- Línea de generación y detección de ruptura
- Interior de bucle invertido de modo
- Corriente del sueño a menos de 30 mA a 3,3 V
- Industriales y comerciales rangos de temperatura
- Disponible en HVQFN24, TSSOP24 (SC16IS750/760) y TSSOP16 (SC16IS740) paquetes
I ² C-bus ofrece
- Filtro de ruido en SCL / SDA entradas
- 400 kbit / s de velocidad máxima
- Cumple con la velocidad de I ² C-bus rápido
- sólo modo Esclavo
SPI características
- SC16IS750 soporta 4 Mbit / s de velocidad máxima de reloj SPI
- SC16IS760 soporta 15 Mbit / s de velocidad máxima de reloj SPI
- sólo modo Esclavo
- SPI modo 0
Volver al principio
Aplicaciones
Ocultar
- La automatización de fábrica y control de procesos
- Portátil y la batería de dispositivos operados
- datos de los dispositivos celulares
Diagramas de bloque
Hoja de datos
(Especificación del producto)
v.7.0, 09/06/2011
Páginas, 548kb

http://www.nxp.com/#/pip/pip=[pip=SC16IS740_750_760]|pp=[t=pip,i=SC16IS740_750_760]
No hay comentarios:
Publicar un comentario